RCA-GR100 觸控式無紙記錄器(Graphic Recoder) update:2017/09/01

特點:
多種顯示畫面。 高彩 TFT LCD 觸控式操作介面。
USB 通訊功能 支援大容量 SD 記憶卡 (FAT 16/32)。
乙太網路通訊介面。 每個通道可設定 4 組謷報。
數學邏輯運算功能。    
萬用入力(熱電偶、白金電阻...等,總共17種可供選擇)。
水平曲線、垂直曲線、數據顯示、柱狀圖、歷史資料顯示。
6 或 12 通道類比輸入、6 點外部入力 (D/I)、6 or 12 點 Relay 輸出 (D/O)。


 RS232、RS422/RS485、USB、Ethernet 通訊介面 (MODBUS-RTU.MODBUS
 on TCP)。

1. 選購型號
 

2. 主要規格    
 硬體規格  
•電源供應 :100-240 VAC, 50/60Hz
•電壓變率
:+/- 10% 電源供應比率
•功率 :MAX.24 VA
•工作溫度 :0 ~ 50 ℃
•工作濕度 :20 ~ 90%RH (無結露)
•抗震性 :震動範圍 12mm Max. (5-14Hz)
•絕緣阻抗 :Min. 20 MΩ (500 VDC, 端子與地)
•絕緣耐壓 :一分鐘可承受 2500 VAC 50/60Hz
 (第一端子與第二端子;第一端子與地)
•面板厚度 :2 ~ 10 mm
•材質 :外殼 (SPC), 面板 (ABS)
•外部端子 :歐式端子
•備份記
 憶體

:內部記憶體-儲存參數
 外部記憶憶-測量值 (SD 卡:1GB, 若記錄
 周期為 2 秒約可記錄 1 年的數據資料)
•溫度係數 :50 ppm / ℃ ( 0 - 50 ℃ )
•重量 :約 2.5Kg (包含包裝)
   
 顯示部份  
•顯示器

:5.6 吋 TFT 全彩液晶 (113.28mm x 84.71mm)
 解析度 320 x 234 點陣
•色系

:通道顏色 → 12 色
 背影顏色 → 黑或白
•使用語言 :中文、英文
•顯示畫面 :水平曲線、垂直曲線、數據顯示、柱狀圖
•歷史曲線 :以水平或垂直曲線與數據畫面顯示歷史資料
•系統狀態

:顯示警報接點出力 (D/O)、數位接點入力
 (D/I)事件簿及記憶體容量
•時間軸設定 :1 ~ 120 min
•顯示週期 :根據時間軸設定
•螢幕保護
 程式
:設定時間 (0 ~ 120min) 達到後,自動關閉
 背光燈

輸入  
•通道數 :6 通或 12 通道
•輸入
:萬用入力 (T/C 12 種,R.T.D 2 種,DC 電壓 3 種)
•範圍設定 :0 ~ 99.9 second adjustable
•棈度 :0.1% 滿刻度
•記錄週期 :1 ~ 900 秒
•標準接點
 精度補償
:熱電偶與白金電阻斷線可自動偵測
•入力校正 :各通道 T/C → Max. 250Ω
     DC → Max. 2KΩ
     R.T.D → 每條 Max. 10Ω
(Note : 三條線的電阻必須相同)
•接線方式 :歐式端子
   
 記錄功能  
•內部記憶體 :Flash-setting parameter
•外部記憶體

:SD 卡 1GB,若記錄週期為 2 秒,約可記錄
 1 年的數據資料
•檔案系統 :FAT 16/32
•參數儲存週期 :1 ~ 900 秒 (Max. 15 min)
•記錄內容 :測量數據、訊息及警報
•記錄方法

:經由觸控選單將資料由內部暫存器轉存到
 SD 卡
   
 警報功能  
•警報設定 :每個通道可設定 4 組警報
•警報種類 :15 種
•觸發警報儲存 :開始、停止或忽略警報條件時儲存參數
•接點輸出 :6 或 12 點警報輸出、斷線警報、外部接點
 入力 (D/I)
•存放環境條件 :0 ~ 70 ℃ ( 20 to 90 RH non-condensed )
 

 


輸入訊號範圍與精度  
入力種類
測量範圍
精度
Thermocopule
K
-270.0 ~ 1372.0℃
±0.1% of F.S *1
J
-210.0 ~ 1200.0℃
±0.1% of F.S

E

-270.0 ~ 1000.0℃
±0.1% of F.S *2
T
-270.0 ~ 400.0℃
±0.1% of F.S *3
R
-50.0 ~ 1768.0℃
±0.1% of F.S *4
S
-50.0 ~ 1768.0℃
±0.1% of F.S *4
B
0.0 ~ 1820.0℃
±0.1% of F.S *5
N
-270.0 ~ 1300.0℃
±0.1% of F.S *3
PL2
0.0 ~ 1395.0℃
±0.1% of F.S
U
-200.0 ~ 600.0℃
±0.1% of F.S
L
-200.0 ~ 900.0℃
±0.1% of F.S
W
0.0 ~ 2315.0℃
±0.1% of F.S
R.T .D
Pt100 DIN
-200.0 ~ 850.0℃
±0.1% of F.S
Pt100 JIS
-200.0 ~ 660.0℃
±0.1% of F.S
DC voltage
±100mV d.c
-100.00 ~ 100.00 mV d.c
±0.1% of F.S
±10V d.c
-10.000 ~ 10.000 V d.c
±0.1% of F.S
±30V d.c
-30.00 ~ 30.00 V d.c
±0.1% of F.S
•*1 : -250 below exceptional standard
•*2 : -260 below exceptional standard
•*3 : -235 below exceptional standard
•*4 : -20 below 0.2%
•*5 : +310 ~ +470 0.15%, +240 ~ 310 0.2,+240 below standard

顯示系統  
    曲線畫面       數據畫面
顯示曲線圖,可垂直顯示或水平顯示,並可將警報即時註解於
曲線上。
 
  顯示測量值、範圍、單位、通道名稱,通道號碼與
警報訊息。
         
   柱狀圖      歷史資料
將記錄數據以柱狀圖顯示,此畫面包含測量值、範圍、單位、通道名稱與通道編號。

  儲存在記憶體內部的數據可以水平、垂直的方式顯示,
可依時間軸及尺寸縮放。
         
   系統狀態

顯示各通道的警報接點出力 (D/O) 狀態、外部接點入力(D/I) 狀態,可經由換頁觀看事件簿與記憶體狀態。
  


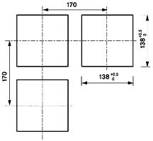
外型尺寸  
外型

開孔尺寸

端子接線圖  

※ 此圖為 RCA-GR100-21(12 通道)


下載操作手用 (3999KB) 下載通訊協定 (142KB)

下載PDF檔案 (646KB) http://www.nahua.com.tw